Inlägg 42 Cellbalansering i litiumjonbatterier – Teknik, behov och praktiska råd

Introduktion

Litiumjonbatterier har på kort tid blivit en grundpelare i modern energiteknik. De används idag i allt från elbilar och energilagringssystem till mobiltelefoner, datorer och verktyg. Den snabba teknikutvecklingen har gjort att batteriernas kapacitet, säkerhet och livslängd ständigt förbättras. Men för att verkligen dra nytta av litiumjonbatteriernas potential krävs avancerad styrning och övervakning – och en av de mest centrala funktionerna i detta är cellbalansering.

Cellbalansering är en teknik som säkerställer att alla celler i ett batteripaket arbetar inom säkra och optimala gränser. Utan korrekt balansering riskerar man att batteriets prestanda försämras, livslängden förkortas och säkerhetsrisker uppstår. I detta blogginlägg fördjupar vi oss i vad cellbalansering innebär, varför det är så viktigt, skillnaderna mellan olika balanseringsmetoder samt praktiska råd för både driftsättning och utbyggnad av batterisystem.

Vad är cellbalansering och varför behövs det?

Ett litiumjonbatteri består av flera individuella celler som kopplas samman i serie och/eller parallellt för att uppnå önskad spänning och kapacitet. Med tiden och genom upprepade laddnings- och urladdningscykler uppstår små skillnader mellan cellerna.

Figur 1. Obalanser på cellnivå leder till att antingen laddning måste avslutas i förtid eller att
urladdning måste avslutas i förtid. Det är den sämsta cellen som definierar när detta sker.

Dessa skillnader kan bero på variationer i tillverkningen, åldrande, temperaturvariationer eller olika belastning under drift. Resultatet blir att vissa celler laddas ur snabbare, tappar kapacitet eller får högre inre resistans än andra. Om dessa skillnader inte hanteras kan det leda till att enskilda celler blir överladdade eller djupurladdade. En överladdad cell kan överhettas, svälla eller till och med börja brinna, medan en djupurladdad cell kan ta permanent skada och tappa kapacitet. Eftersom batteriets totala prestanda ofta begränsas av den svagaste cellen, är det avgörande att hålla alla celler så jämna som möjligt i laddningsnivå (State of Charge, SoC). Följande problem kan avsaknad eller ej adekvat cellbalansering leda till:

  • Minskad batterikapacitet
  • Kortare drifttid
  • Prestandaförsämring
  • Säkerhetsrisker såsom överhettning eller till och med bränder
  • För tidigt batterifel på grund av inkonsekventa spänningsnivåer
  • Energiförlust från ineffektiv laddning och urladdning

Cellbalansering är därför processen där man aktivt eller passivt jämnar ut laddningsnivån mellan cellerna. Genom att säkerställa att alla celler arbetar inom samma spännings- och laddningsintervall kan man maximera batteriets livslängd, säkerhet och kapacitet.

Batterier försämras över tid, och enskilda celler i ett batteripaket laddas ur eller upp i olika takt. Denna obalans kan orsakas av:

  • Tillverkningsfel – Små variationer i cellkapacitet från fabriken.
  • Temperaturskillnader – Värme påverkar cellernas prestanda och orsakar ojämna urladdningshastigheter.
  • Variation i självurladdning – Vissa celler tappar naturligt laddning snabbare än andra.
  • Åldringseffekter – Celler försämras i olika takt, vilket leder till inkonsekvenser.

Utan korrekt cellbalansering kan dessa avvikelser öka, vilket orsakar ineffektivitet och till och med batterifel.

Vad skiljer aktiv cellbalansering och passiv cellbalansering? En genomgång om hur det fungerar

Det finns två huvudsakliga metoder för cellbalansering: passiv och aktiv. Båda syftar till att utjämna laddningsnivån mellan cellerna, men de gör det på olika sätt och med olika effektivitet.

 

Passiv cellbalansering

Passiv cellbalansering är den mest använda och enklaste metoden. Här leds överskottsenergin från de mest laddade cellerna bort som värme via motstånd. När en cell når sin maximala spänning under laddning, kopplas ett motstånd in parallellt med cellen. Motståndet leder bort överskottsenergin tills cellens spänning sjunker till samma nivå som de andra cellerna.

 

Figur 2. Passiv cellbalansering där resistorn förvandskar energi i den mest laddade cellen.

Fördelen med passiv balansering är att den är enkel att implementera och har låg kostnad. Nackdelen är att energin som tas bort går förlorad som värme, vilket innebär att metoden är mindre energieffektiv och kan vara långsam om obalanserna är stora. Passiv balansering passar bäst i mindre system eller där energiförlusten inte är kritisk.

Figur 3. Passiv cellbalansering.

Djupdykning – Passiv cellbalansering

Algoritm för passiv cellbalansering:

Balanseringsaktiveringsvillkor:

  • Det finns inga larm förutom larmet för för stor spänningsskillnad
  • Den individuella cellens temperatur uppfyller kravet (-20℃ ~ 55℃)
  • Balanseringsmotståndets temperatur uppfyller kravet (lägre än 85℃)
  • Den individuella cellens spänning ligger inom de övre och nedre gränserna för balanseringsskyddsspänning (2800mV ~ 3600mV)
    • Den maximala individuella cellens spänning uppfyller aktiveringsspänningen för balansering (över 3000mV)
    • Spänningsskillnaden för att aktivera balansering är 20mV;
      Huvudbrytarens balanseringsfunktion är påslagen;
      Spänningsskillnaden för att avaktivera balansering är 10mV.

Figur 4. Kretsschema för passiv cellbalansering.

Aktiv cellbalansering

Aktiv cellbalansering är en mer avancerad och effektiv metod. Istället för att bränna bort överskottsenergin som värme, flyttas energin från de mest laddade cellerna till de mindre laddade. Detta sker vanligtvis med hjälp av induktorer, kondensatorer eller DC/DC-omvandlare som tillfälligt lagrar och omfördelar energin mellan cellerna.

Figur 5. Aktiv cellbalansering som flyttar om energin i cellerna för att få de balanserade

Aktiv cellbalansering

Aktiv balansering minimerar energiförlusterna och möjliggör snabbare utjämning av laddningsnivåerna. Metoden är dock mer komplex och dyrare att implementera, vilket gör att den främst används i större batteripack eller i applikationer där effektivitet och lång livslängd är extra viktiga, exempelvis i elfordon eller stationära energilager.

 

Tabell 1. Sammanfattning av skillnader:

 

Egenskap / Kriterium

Passiv balansering

Aktiv balansering

Värmeutveckling och säkerhet

Motstånd genererar tydlig värme vid utjämning, vilket kräver extra värmeavledningsdesign.

Ingen större värmeutveckling (ingen energiförbrukning i motstånd), låg värmeavledningsbelastning.

 

Ingen komplex energikonvertering, ingen risk för komponentöverbelastning.

Många komponenter och hög arbetsfrekvens, vilket kan leda till risk för elektromagnetisk störning.

Påverkan på batteriets livslängd

Långvarigt beroende av energiförlust vid utjämning minskar batteriernas totala tillgängliga kapacitet.

Kan minimera batteriobalanser till största möjliga grad och förlänger därmed batteripaketets totala livslängd.

 

Inga extra laddnings-/urladdningscykler för batterier, ingen extra förlust.

Frekvent energitransfer kan orsaka marginell cykelförlust för batterier (försumbar).

Anpassningsbarhet till applikationer

Lämplig för lågkapacitets-, lågkravsutrustning med hög kostnadseffektivitet.

Lämplig för högkapacitets-, högpålitlighetsutrustning med långsiktiga fördelar.

 

Kan inte möta behoven hos högkapacitets-, långlivad utrustning.

Vid användning i små utrustningar är kostnad och nytta inte i balans.

Att välja mellan aktiv och passiv balansering beror på applikationens krav på effektivitet, kostnad och systemets storlek.

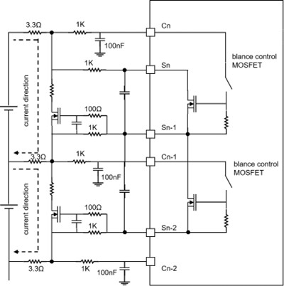
Djupdykning – Aktiv cellbalansering

Figur 6. kretsschema för aktiv cellbalansering.

 

Algoritm för aktiv cellbalansering:

  • Varje battericell kan anslutas till en gemensam terminal (t.ex. 24V) via en dubbelriktad flyback-omvandlare.
  • Genom att styra omkopplingen av MOSFET:ar regleras cellernas energitransfer—energi överförs först från celler med överskottsenergi till den gemensamma terminalen, och omdirigeras sedan till celler med otillräcklig energi.

DC/DC-omvandlaren i en aktiv balansering går in i antingen ”buck” som innebär att spänningen sänks, eller ”boost” som innebär att spänningen ökar. Genom att möjliggöra en ny alternativ väg för strömmen kan cellerna balanseras. Då likströmmen går från hög till låg spänning kommer alltid strömmen kunna styras till de battericeller som är mest eller minst behov av i- och urladdning.

Figur 7. Aktiv cellbalansering där spänningen för battericellerna aktivt styrs av DC/DC-optimerare.

Tips för att motverka obalanser mellan celler

Att motverka obalanser mellan celler är avgörande för att optimera batteriprestanda och förlänga livslängden på ditt batterisystem. Hur optimerar man batteriprestanda med cellbalansering? För att säkerställa att ditt batterisystem fungerar på topp, följ dessa bästa praxis och tips som hjälper dig att förebygga och hantera obalanser mellan cellerna.

  1. Välj rätt balanseringsmetod
    Välj aktiv balansering endast om du bygger extremt högpresterande system med stora budgetar och krav på maximal effektivitet.
    Passiv balansering är det bästa valet för energilagringsprodukter och de flesta kommersiella system, och erbjuder tillförlitlighet utan överkonstruktion.

  2. Välj rätt BMS
    Använd ett högkvalitativt batterihanteringssystem (BMS)
    Ett bra BMS övervakar laddningsnivåerna och säkerställer jämn fördelning.
    Det förhindrar överladdning, överhettning och överdrivet slitage på battericellerna.
    Maximera batteriets livslängd: Vikten av noggrann uppskattning och strategier för att förbättra State of Health (SoH).

  3. Håll koll på temperaturen
    Upprätthåll optimal temperaturkontroll. Ojämn värmefördelning kan leda till obalanser.
    Använd kylsystem eller termiska hanteringslösningar för att säkerställa jämn temperatur över cellerna.

  4. Övervaka batterihälsan regelbundet
    Periodiska kontroller av spänning och temperatur hjälper till att förebygga obalanser.
    Använd diagnostiska verktyg för att följa cellernas prestanda över tid.

Om du upplever problem med ditt batteri – testa att balansera

Obalanser är något som alltid kommer finnas i batterisystem som saknar optimerare i varje batterimodul. Dessa obalanser kan leda till att BMS-systemet får svårt att estimera batteriets SOC (laddningsprocent). Detta för att spänningen (som är den viktigaste parametern) för att uppskatta SOC varierar beroende på belastning, temperatur och hur batteriet används. När olika spänningsnivåer existerar i samma seriekoppling (dvs det existerar en obalans) kan följande fel arta sig:

Figur 8. Vid kl 13.00 gör batteriet ett SOC-hopp från 50% till 100%.

Det är egentligen helt naturligt och är en naturlig del av litiumjonbatterier att de måste balanseras. Det kan krävas olika många cykler för att råda bot på problemet och vanligvis löser sig cellbalanseringen sig själv, men ibland kan man ge sitt system lite hjälp på traven.

Om du manuellt vill cellbalansera ditt system, gör enligt följande.

  1. Ladda ur batteriet med ca 8A till du når nedre spannet av din DoD (ofta ca 10-20%)
  2. Vänta en timma
  3. Ladda upp batteriet med ca 8A till du når 100% SoC
  4. Vänta en timma
  5. Repetera ca 5-7 gånger

Som exempel om man har ett batteri på 20kWh så skulle det ta ca 12h att ladda upp batteriet från 0-100% och lika lång tid att tömma det från 100-0%. Det innebär att cellbalanseringen kan med en enda cykel ta ca ett dygn (24h).

Att tänka på när man driftsätter ett nytt system kring cellbalansering och vid utbyggnad med fler batterimoduler

Att införa ett nytt litiumjonbatterisystem eller bygga ut ett befintligt kräver noggrann planering kring cellbalansering. Här är några viktiga aspekter att ha i åtanke:

 

Vid driftsättning av nytt system:

  • Initial balansering: Innan systemet tas i bruk bör alla celler vara på samma laddningsnivå (SoC). Detta säkerställer att ingen cell blir över- eller underladdad redan från start, vilket annars kan leda till snabbare åldrande eller säkerhetsproblem.
  • Konfiguration av BMS: Batterihanteringssystemet (BMS) måste vara korrekt inställt för den aktuella batteritypen och balanseringsmetoden. Kontrollera att BMS:en övervakar alla celler och kan hantera både laddning och urladdning på ett säkert sätt.
  • Dokumentation: Det är klokt att dokumentera cellernas individuella spänning och temperatur vid start. Detta underlättar felsökning och uppföljning av systemets hälsa över tid.

 

Vid utbyggnad med fler batterimoduler:

  • Balansering av nya moduler: Nya moduler ska alltid balanseras mot befintliga moduler innan de kopplas in i systemet. Om modulerna har olika SoC kan det uppstå kraftiga utjämningsströmmar som kan skada både celler och elektronik.
  • Kapacitet i BMS: Säkerställ att BMS:en klarar av att övervaka och balansera det ökade antalet celler och moduler. I större system kan det krävas mer avancerad balansering för att upprätthålla säkerheten.
  • Parallellkoppling: Vid parallellkoppling av moduler är det extra viktigt att alla moduler har liknande SoC. Stora skillnader kan leda till höga strömmar mellan modulerna vid inkoppling, vilket kan orsaka skador.
  • Blandade batterier: Om man kopplar samman batterier från olika tillverkare, med olika ålder eller olika kemiska sammansättningar, ökar risken för obalanser. Det är då särskilt viktigt att övervaka systemet noggrant och vara beredd på att behöva balansera oftare.

Genom att vara noggrann i dessa steg kan man undvika många av de vanligaste problemen vid driftsättning och utbyggnad av litiumjonbatterisystem.

Avslutning och sammanfattning

Cellbalansering är en avgörande teknik för att maximera livslängd, säkerhet och prestanda i litiumjonbatterier. Utan balansering riskerar man att batteriets kapacitet och säkerhet försämras, och i värsta fall kan det leda till allvarliga skador på både batteriet och den omgivande utrustningen. Passiv balansering är enkel och kostnadseffektiv men innebär energiförluster, medan aktiv balansering är mer avancerad och effektiv men kräver mer komplex elektronik och högre investering.

Oavsett vilken metod som används är det viktigt att vara noggrann vid både driftsättning och utbyggnad av batterisystem. Genom att säkerställa att alla celler och moduler är korrekt balanserade och att BMS:en är rätt konfigurerad, kan man undvika många problem och få ut maximal nytta av sitt litiumjonbatterisystem.

Har du frågor om cellbalansering eller vill veta mer om hur du optimerar ditt batterisystem?

 

Kontakta oss på Senergia – vi hjälper dig gärna vidare med både teknik och praktiska lösningar!

Solverwp- WordPress Theme and Plugin

Solverwp- WordPress Theme and Plugin